Solving your challenges
Danfoss offers a wide range of efficient fan drive systems. Below are the benefits and critical considerations you need to take into account as you determine the right system for your specific needs.
Benefits
-
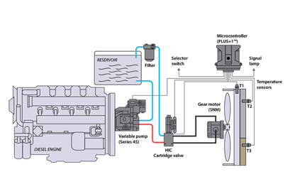
Increased efficiency due to variable flow and piston motor technology
-
Fan speed independent of engine speed
-
Fails to full fan speed
-
Motor speed sensors available
-
Higher motor pressure, power and life ratings
Critical considerations
-
Back pressure required for axial piston motors
-
No ZERO speed capability
-
Larger reservoir capacity required for high flows
-
Motor thrust load capability must be calculated
Related products

We offer axial piston motors for open and closed-circuit systems, ranging from 20cc up to 250cc, with fixed, 2-position, and continuously variable displacement controls, including the zero-degree option.

We engineer, manufacture and supply gear motors of superior quality. We work closely with our customers around the world, combining long-standing tradition and relentless innovation, to deliver optimal gear products and solutions.

Our GearMe gear motors are the ideal choice for a wide range of applications - from small to medium and large off-highway vehicles. Ultracompact fan drives are also available. They are ideal when both compactness and high efficiency are required.

Specifically designed for demanding mobile equipment applications where maximum performance is required at peak power levels and operating temperatures, our cast iron gear motors including fan drives ensure great productivity and excellent fuel efficiency, along with reduced vehicle emissions.
Related solutions

Danfoss offers a wide range of efficient fan drive systems. Explore more about the benefits and the critical considerations you need to consider as you determine the right system for your specific needs.

Danfoss offers a groundbreaking fan drive technologies, such as the closed circuit pump w/ piston motor (reversible).

Danfoss continues to lead the industry with groundbreaking fan drive technologies like our reverse displacement motor (RDM).


