Semi-welded plate heat exchanger services
The correct operation and timely qualified aftersales service of the heat exchangers ensures efficient operation of the whole industrial refrigeration system.
Danfoss provides required professional warranty and post-guarantee service support for all supplied heat exchangers through an official network of dedicated service partners.
The official service partners have been granted the authority to carry out a wide range of activities for heat exchangers such as:
- Audit and performance diagnostics of heat exchangers
- Shutting down, opening and starting up of heat exchangers
- Warranty and post-guarantee service using genuine spare parts
- Extension of heat exchangers
- Cleaning of heat exchangers
- Pressure and leak testing
Cleaning methods
The rules and requirements for cleaning a heat exchanger vary from type to type. If there is a risk of fouling, the unit should be monitored by measuring its working parameters. When losses are greater than permitted, the heat exchanger should be cleaned.
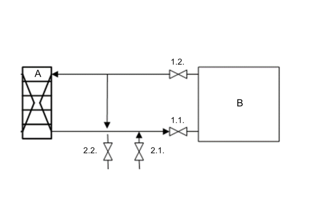
1. Backwards flow
In most cases loose materials as organic compounds, gathered on the surface of the plates can be removed by inverting the flow or with back flow washing with warm water or cleaning medium.
| A = Danfoss Heat Exchanger | 1.1 – 1.2 = System shut off valves |
| B = Heat or Cold Consumer | 2.1 – 2.2 = Shut off valves for cleaning system |
Warm water or cleaning medium is flushed with high speed on the brine side in the opposite direction than during normal operation. The valves in the connection pipes must be closed and the drain valves mounted on the pipelines opened. The dirty medium must be discharged, collected and discharged in accordance with local requirements.
Example of backwards cleaning procedure:
- Close valves 1.1 and 1.2. The recommended temperature of heat exchanger should be between 10-30C
- Drain off the liquid from the brine side by opening valve 2.1
- Connect a hose to valve 2.1
- During 10-15 minutes cleaning medium should flow through heat exchanger
- Check if organic compounds and dirt are removed
- Stop the water flow by closing valve 2.1
- Fill the heat exchanger with system liquid in accordance with start-up procedure, close valve 2.2

2. Cleaning in Place (CIP)
In order to achieve a good cleaning result, the cleaning agent is to be chosen based on the dirt and impurities in the process and/or heat exchanger. The use of unsuitable cleaning agents may result in worsening of the impurity problem.
The cleaning process should involve the use of common cleaning agents which contain additives that reinforce the effectiveness of the cleaning procedure and at the same time is compatible with the materials of the heat exchanger.
Remarks:
- Before cleaning the heat exchanger with chemicals, check resistance of all materials to the cleaning agent
- After chemical treatment the plates must absolutely be flushed carefully with clean water
- When during cleaning on the coolant side a high temperature can occur in heat exchanger. Be sure that the pressure on the refrigerant side will not increase to high
- Before cleaning remove the refrigerant or be sure the refrigerant is not trapped
| A = Danfoss Heat Exchanger | 1.3 – 1.4 = System shut off valves |
| B = Heat or Cold Consumer | 2.3 – 2.4 = Shut off valves for cleaning system |
| C = circulating tank | 3 = Pump for chemical tank |
Example of CIP cleaning procedure:
- Close the valves 1.3. and 1.4. The recommended temperature of heat exchanger should be between 10-30C
- Connect the hoses of cleaning system to the valves 2.3. and 2.4
- Fill the tank with the chemical solution
- Switch on the Pump (3) and let it run during 30-40 minutes. Check during cleaning at certain intervals the concentration and activity of chemicals at inlet and outlet. Stop the process if there is no changes (inlet vs. outlet)
- If dirt has been removed, drain the chemicals from the heat exchanger and tank. Contain and remove used chemicals according to local regulations
- Flush the heat exchanger plate pack by using clean water under backflow
- Fill the heat exchanger with system liquid in accordance with start-up procedure

3. Manual cleaning
For Semi-welded plate heat exchangers it is possible to clean the plates manually on the gasketed side, however it requires that the heat exchanger is opened to get access to the plate surface.
Semi welded cassettes are only manually cleanable on the outside. If needed the cleaning agents may be used.
Consult a cleaning specialist for choosing a suitable cleaning agent. Ensure that all agents are compatible with the plate/cassette and gasket materials.
Plates do not need to be removed from the heat exchanger during cleaning.
- Start cleaning when the heating surface is still wet and the plates are hanging in the frame
- Remove deposits using a soft brush and running water
- Rinse with water using a high pressure hose
If above procedure does not remove the dirt, next step is to add a cleaning agent to the process.
- Brush with cleaning agent using a soft brush
- Rinse immediately with water

Spare parts
The genuine Danfoss spare parts are manufactured from high quality compounds on special equipment to deliver functionality, reliability and safety for Danfoss heat exchangers.
The genuine spare parts are available worldwide through official Danfoss partners.
Training
When you use Danfoss heat exchanger, you use highly reliable products. Our team is experienced Industrial Refrigeration experts and always ready to share knowledge.
Please contact us if you are service company and interested in training for Danfoss Heat Exchangers in Industrial Refrigeration applications.

The semi-welded plate heat exchangers are optimized for industrial applications. The semi-welded plate heat exchangers from Danfoss is designed for ammonia systems and can be used for applications such as Condensers, flooded and pumped evaporators, Sub-coolers, Desuperheaters and Oil coolers.

Industrial refrigeration systems engineered to ensure perfect conditions for food in safe temperature controlled environments, while allowing for improved food safety and reduced food waste.

The Danfoss application guide is designed to be used as a reference document. The handbook aims to provide answers to the various questions relating to industrial refrigeration system control. Visit the application handbook page to see the chapters and download the complete handbook.
Documents
| Type | Name | Language | Valid for | Updated | Download | File type |
|---|---|---|---|---|---|---|
| User guide | Plate Type Heat Exchangers, Single plate and Semi-welded Installation, Commissioning and Maintenance | Russian | Multiple | 22 Jul, 2019 | 6.2 MB | |
| User guide | Plate Type Heat Exchangers, Single plate and Semi-welded Installation, Commissioning and Maintenance | English | Multiple | 22 Jul, 2019 | 6.2 MB | |
| User guide | Plate Type Heat Exchangers, Single plate and Semi-welded Installation, Commissioning and Maintenance | Portuguese | Multiple | 22 Jul, 2019 | 6.2 MB | |
| User guide | Plate Type Heat Exchangers, Single plate and Semi-welded Installation, Commissioning and Maintenance | Spanish, Castilian | Multiple | 22 Jul, 2019 | 6.2 MB | |
| User guide | Plate Type Heat Exchangers, Single plate and Semi-welded Installation, Commissioning and Maintenance | Danish | Multiple | 22 Jul, 2019 | 6.2 MB | |
| User guide | Plate Type Heat Exchangers, Single plate and Semi-welded Installation, Commissioning and Maintenance | Italian | Multiple | 22 Jul, 2019 | 6.2 MB | |
| User guide | Plate Type Heat Exchangers, Single plate and Semi-welded Installation, Commissioning and Maintenance | Chinese | Multiple | 22 Jul, 2019 | 6.7 MB | |
| User guide | Plate Type Heat Exchangers, Single plate and Semi-welded Installation, Commissioning and Maintenance | Polish | Multiple | 22 Jul, 2019 | 6.2 MB | |
| User guide | Plate Type Heat Exchangers, Single plate and Semi-welded Installation, Commissioning and Maintenance | French | Multiple | 22 Jul, 2019 | 6.2 MB | |
| User guide | Plate Type Heat Exchangers, Single plate and Semi-welded Installation, Commissioning and Maintenance | German | Multiple | 22 Jul, 2019 | 6.2 MB |
Contact us
Contact our regional heat exchanger experts in Industrial Refrigeration applications for further support:
| Region | Country | PHE expert | |
|
Europe |
Sweden | Johan Rissler | Johan.Rissler@danfoss.com |
| Norway | Johan Rissler | Johan.Rissler@danfoss.com | |
| Denmark | Johan Rissler | Johan.Rissler@danfoss.com | |
| UK | Johan Rissler | Johan.Rissler@danfoss.com | |
| Finland | Johan Rissler | Johan.Rissler@danfoss.com | |
| Baltics | Johan Rissler | Johan.Rissler@danfoss.com | |
| Italy | Tommaso Giorgetti | tommaso.giorgetti@danfoss.com | |
| France | Joaquim Edo | joaquim.edo@danfoss.com | |
| Spain | Cristina Martin-Borregon | cristina.martinborregon@danfoss.com | |
| Netherlands | Arman Mansouri | arman.mansouri@danfoss.com | |
| Belgium | Bruno Yperman | bruno.yperman@danfoss.com | |
| Germany | Alexander Käs-Schlinkheider | Alexander.Kaes-Schlinkheider@danfoss.com | |
| Poland |
Leonid Tykhomirov Mikolaj Klinkiewicz |
||
| Czech | Jakub Horky | jakub.horky@danfoss.com | |
| Slovakia | Jakub Horky | jakub.horky@danfoss.com | |
| Hungary | Csaba Fribert | csaba.fribert@danfoss.com | |
| Romania | Romulus Papuc | Romulus.Papuc@danfoss.com | |
| Bulgaria | Romulus Papuc | Romulus.Papuc@danfoss.com | |
| Serbia | Vladimir Beljanski | vladimir.beljanski@danfoss.com | |
| Ukraine | Tykhomirov Leonid | leon@danfoss.com | |
| China | China | Zhihua (Alfred)Huang | HuangZhihua@danfoss.com |
|
Asia Pacific |
Australia | Alan Kelly | kelly_a@danfoss.com |
| Korea | Ji Hoon(Adam) Park | jhpark@danfoss.com | |
| Vietnam | Duc Tu (Kevin) Tran | tu.tran@danfoss.com | |
| Thailand | Pattarapon (Jack) Maneesri | pattarapon.maneesri@danfoss.com | |
| Indonesia | Khodrat Desta Novanto | desta@danfoss.com | |
| Phillipines | Edgar Escobar | eescobar@danfoss.com | |
| North America | USA/Canada | Daniel Swann | danswann@danfoss.com |
| India | India | Mahesh More | mahesh.more@danfoss.com |
|
Latin America |
Mexico | Roberto Badillo Chavez | r.badillo@danfoss.com |
| Chile/Peru | Sergio David Salinas Ulloa | sulloa@danfoss.com | |
| Columbia | Rafael David Canache Campos | rafael.canache@danfoss.com | |
| Brazil | Edna de Menezes Tavares | ednamt@danfoss.com | |
| Argentina | Jose Alberto Montagano | montagano@danfoss.com | |
|
Middle East |
Turkey | Baris Kurt | baris.kurt@danfoss.com |
| South Arica | Brett Aarons | aaronsb@danfoss.com | |
|
Middle East |
Suresh N. Sharma | suresh.sn@danfoss.com | |
| Dhanraj Katte | dhanraj.katte@danfoss.com |