Increased efficiency
Danfoss offers a wide range of efficient fan drive systems. Below are the benefits and critical considerations you need to take into account as you determine the right system for your specific needs.
Benefits
Increased efficiency due to variable flow piston pump
Reversibility inherent to the system with no additional plumbing
Has inherent zero-speed capability
Negligible risk of motor cavitation
Well known, closed-circuit technology for high-power applications
Higher pump and motor pressure, power and life ratings
Fan speed independent of engine speed
Minimal reservoir requirements
Motor speed sensors available
Critical considerations
Charge flow required
Higher pump and motor cost
Motor thrust load capability must be calculated
Fan fails to minimum fan speed
Related products
-
if (isSmallPicture) {
; } else if (isBigColumns) {
} else {
}
Digital Displacement® pumpsOur Digital Displacement® pump technology is a fundamental innovation. It utilizes a radial piston machine which enables cylinders in real time, using ultra-fast mechatronic valves controlled by an embedded, intelligent computer. This makes our pump highly controllable and extremely efficient. The result is lower energy losses, increased productivity, and faster response time.
-
if (isSmallPicture) {
; } else if (isBigColumns) {
} else {
}
Mobile open-circuit piston pumpsVariable open circuit piston pumps are needed whenever it’s time for your machine to do work. With a broad range of displacements (25-260cc) and pressure ratings up to 350bar, Danfoss makes powering cylinders, motors, and cooling systems easy. We support all applications in the construction, agriculture, industrial, marine, and oil and gas industries.
-
if (isSmallPicture) {
; } else if (isBigColumns) {
} else {
}
Mobile fixed displacement axial piston motorsDanfoss fixed displacement motors are designed for us in numerous applications in mobile equipment. Product lines include MP1, Series 1, Series 40, Series 90, H1F and Series 741 and 743.
-
if (isSmallPicture) {
; } else if (isBigColumns) {
} else {
}
Mobile piston motorsDesigned for intelligent vehicle management systems, our range brings you closer to your goals for reduced fuel consumption and high operator comfort. Our motors fit low, medium and high-power applications, including single and dual path propulsion drives and closed loop auxiliary transmissions.
-
if (isSmallPicture) {
; } else if (isBigColumns) {
} else {
}
Mobile closed-circuit piston pumpsDanfoss offers closed-circuit piston pumps in displacements from 20cc up to 280cc and a range of control options, from direct displacement control to automotive control options, to suit your specific application.
Related solutions
-
if (isSmallPicture) {
; } else if (isBigColumns) {
} else {
}
Closed circuit pump w/ gear motor (reversibleDanfoss offers a wide range of efficient fan drive systems. Explore more about the benefits and the critical considerations you need to consider as you determine the right system for your specific needs.
-
if (isSmallPicture) {
; } else if (isBigColumns) {
} else {
}
Open circuit pump w/ piston motorDanfoss continues to lead the industry with groundbreaking fan drive technologies like our reverse displacement motor (RDM).
-
if (isSmallPicture) {
; } else if (isBigColumns) {
} else {
}
Variable displacement open circuit pump w/ gear motor (non reversing)Danfoss offers a wide range of efficient fan drive systems.
-
if (isSmallPicture) {
; } else if (isBigColumns) {
} else {
}
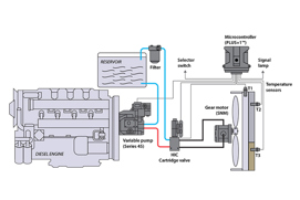
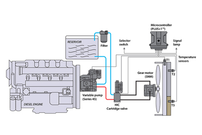
Variable displacement open circuit pump w/ gear motor (reversing HIC)Danfoss offers a groundbreaking fan drive technologies, such as the variable displacement open circuit pump w/ gear motor (reversing HIC).
-
if (isSmallPicture) {
; } else if (isBigColumns) {
} else {
}
Variable displacement open circuit pump w/ piston motor (non reversing)Danfoss offers a wide range of efficient fan drive systems based on your unique cooling needs. we can work with you to design a number of different open circuit and closed circuit fan drive systems. Helping to solve your challenges.





























