Your go-to newsletter for technical updates and latest changes in refrigeration and industrial solutions—delivered nearly every month.
Danfoss Tech Insider keeps you up to date with the latest developments in the Cooling and Industrial Products portfolios from Danfoss Climate Solutions. Each edition ofers a quick overview of key technical updates and product news, with direct links to relevant documentation and further details. Published monthly, Tech Insider ensures you’re always informed about the latest innovations and changes across our products and solutions. We hope you enjoy reading Danfoss Tech Insider and find it both useful and inspiing!
Table of contents
- Introduction of the new DCR C range of replaceable solid core filter driers
- New 2x cables for ICAD actuators
- Additional Schrader port for Optyma™ A1 & A2L/A1 packaged Slim Pack W05 ranges
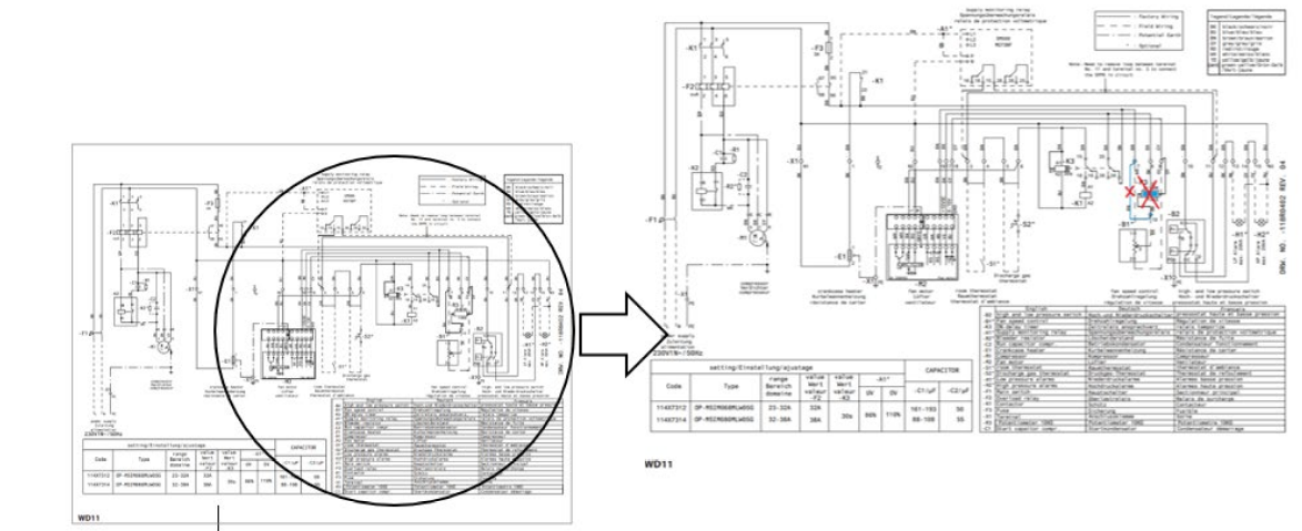
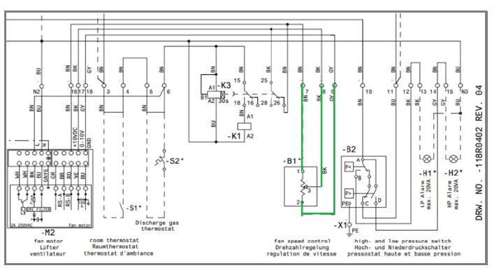
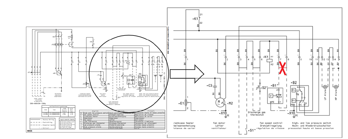
- Climate Solutions – BOCK®: Digital provision of assembly instructions
- New AK-SM 800A Danux available (4.14.017.194)
- New and updated content
Commercial Refrigeration
Food Retail
Industrial Refrigeration
Video updates
Technical literature new and updated
All information, including but not limited to information regarding product selection, application or use, product design, weight, dimensions, capacity, or any other technical data of products in product manuals, catalog descriptions, advertisements, etc., whether provided in writing, verbally, electronically, online, or via download, is to be considered purely informative and is binding only if and to the extent explicitly referenced in a quotation or order confi- mation. Danfoss assumes no responsibility for possible errors in catalogs, brochures, videos, and other printed materials. Danfoss reserves the right to make changes to its products without prior notice. This also applies to products already ordered but not delivered, provided such adjustments are possible with-out substantially changing the form, suitability, or function of the product. All trademarks contained in this publication are owned by Danfoss A/S or Danfoss group companies. Danfoss and the Danfoss logo are trademarks of Danfoss A/S. All rights reserved.



2. For B3 chassis, EC fans XGE-2CIQ01 controller, Danfoss code 061H3248







