RUSSLAND: Ein großes russisches Kraftwerk, anfällig für Unterbrechungen der Hauptversorgung, ist jetzt mit VACON® NXP DC/DC-Wandlern für die industrielle DC-Sicherung ausgestattet. Das System gewährleistet einen unterbrechungsfreien Kraftwerksbetrieb auch bei kürzesten Versorgungsspannungseinbrüchen.
Entdecken Sie, wie flexible und leistungsstarke DC-Backup-Systeme einen unterbrechungsfreien Betrieb trotz Einbrüchen der Versorgungsspannung gewährleisten
Lesen Sie mehr (in Englisch)

Industrielle DC-Sicherung für Kesselgebläse
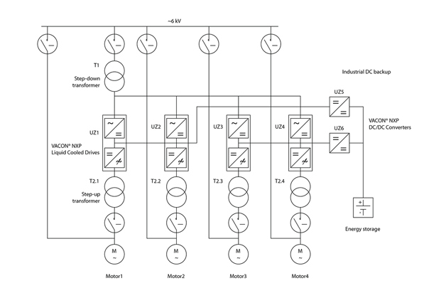
Unter Verwendung wassergekühlter Antriebe in einer "Step down - Step up"-Konfiguration mit Mittelspannungsmotoren entwickelten ART und Danfoss Russia ein industrielles DC-Backup-System, das auch bei Spannungsabfällen im Netz einen zuverlässigen Betrieb gewährleistet.
Das leistungsstarke 1,2-MW-System ist auch als unterbrechungsfreies Motorantriebssystem (UMD) bekannt und verwendet zwei 690 V (!) luftgekühlte VACON® NXP DC/DC-Wandler.
Eine Reihe von 1200-kW-Kesselgebläsen sorgen bei Ausfall des Hauptnetzes für bis zu 10 Sekunden Betrieb. Ein einzelner Batteriespeicher ist über die beiden separaten DC/DC-Wandler mit 4 Antrieben verbunden.

Optimierte Inbetriebnahme und besserer Service
Diese Lösung ist deutlich schlanker, besteht nur aus wenigen Elementen, einfachen Verbindungen und bindet Danfoss Anwendung mit ein, um einfache Inbetriebnahme- und Serviceverfahren zu gewährleisten.
ART bietet eine Reihe von industriellen DC-Backup-Systemen an, die als unterbrechungsfreie Motorantriebe (UMD) bekannt sind.
Diese UMD sind flexibel, weil sie folgende Anforderungen erfüllen
- verschiedene Topologien
- verschiedene Arten von AC-Antrieb
- verschiedene Energiespeichertechnologien
- verschiedene Layouts
- die Verwendung von vorhandenen Batterien, falls gewünscht
Das Technikzentrum für die Automatisierung ressourcensparender Technologien, bekannt als ART, befindet sich in Sankt Petersburg, Russland. Das Team besteht aus 25 Mitarbeitern und blickt auf eine lange Geschichte der Zusammenarbeit mit Danfoss zurück, die bis 1999 zurückreicht.
ART bietet die Konstruktion von Wechselstromantrieben und Automatisierungssystemen für Nieder- und Mittelspannungsanwendungen, unterbrechungsfreie Motorantriebssysteme (UMD) und aktive Filter für den Einsatz bei Oberschwingungen und Blindleistung, Entschädigung sowie Wartungs- und Reparaturleistungen.
Zu ihren Geschäftsfeldern gehören die Energieerzeugung, Öl und Gas sowie die Marine- und Offshore-Industrie. Bis 2019 hat ART mehr als 700 Installationen von Antriebsautomatisierungssystemen abgeschlossen.

VACON® NXP DC/DC Converter

Hybridisierung - die Zukunft der Energie startet heute
Beim Übergang von fossilen Brennstoffen wie Öl und Kohle über Erdgas und Kernenergie hin zu erneuerbaren, wetterabhängigen Energieträgern besteht zunehmend die Notwendigkeit, die Lücken zu schließen, die entstehen, wenn die Größenordnungen von Energieangebot und -nachfrage aus dem Gleichgewicht geraten. Batterien und andere Speichertechnologien setzen sich immer mehr durch.

Erfahren Sie mehr über Frequenzumrichter

Mit seinem weiten Eingangsspannungsbereich ermöglicht der VACON® NXP DC/DC-Konverter in Anwendungen eine einfache Anpassung der Speicherspannung an ein Common DC Bussystem. Er lässt sich sowohl mit flüssigkeitsgekühlten wie auch mit luftgekühlten VACON® NXP-Antriebsmodulen realisieren.

Die VACON® NXP Liquid Cooled Frequenzumrichter verfügen über eines der besten Leistungs-/Größenverhältnisse und eignen sich ideal für Anwendungen, bei denen Platz nur beschränkt vorhanden oder eine Luftkühlung schwierig ist. Schwerindustrien wie Schifffahrt, Offshore- und Bergbauindustrie, profitieren von dem kompakten Design und seiner Zuverlässigkeit. Aktive Front-End- (NXA), nicht regenerative Front-End- (NXN), Brake Chopper- (NXB) und Inverter- (NXI) Konfigurationen sind verfügbar.
Mehr zu Lösungen für die Energiespeicherung (in Englisch)
Mehr zu Lösungen für die Energieerzeugung und -nutzung
Anwendungsgeschichten zur Hybridisierung
QINOUS Energiespeicherung optimiert die Kraft-Wärme-Kopplung weltweit
Elektrifizierung und Sektorkopplung erreichen CO2-Ziele bei FlexHeat Nordhavn
Anwendungsgeschichten zur Energieerzeugung
Weltmarktführer bei Biogas reduziert CO2-Emissionen um 50.000 t jährlich (in Englisch)
Großtechnische Biogasanlage in Kalundborg sichert die Rückführung aller Nährstoffe in die Natur (in Englisch)
Solarheizwerk reduziert CO2-Emissionen um 15.700 Tonnen jährlich (in Englisch)