Інфографіки Danfoss
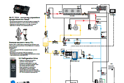
Представляємо вашій увазі, інфографіки, які ми розробили спеціально для різних фахівців холодильного напрямку. Проєктувальники, монтажники, представники технічного відділу торговельних мереж, інженери, сервісні спеціалісти зможуть дізнатися як виглядають сучасні системи СО2 з мультиежектором та порівняти їх зі звичайними системами з СО2.






