
Styring af varme- og brugsvandsanlæg med ECL Comfort 310
Med ECL Comfort 310 er kontrollen over varme- og brugsvandsanlæg samlet i én intuitiv og letanvendelig løsning. Det giver tryghed blandt de daglige brugere, gennemsigtighed og et optimeret styringssystem, der sikrer effektiv energiudnyttelse og drift.
Du kan her lære mere om de forskellige applikationsnøgler til varme- og brugsvandsanlæg.
A230.1
Vejrkompensering af anlæg med én varmekreds
Oplev fordelen ved vejrkompenseret fremløbstemperatur
og returtemperaturbegrænsning med ECL Comfort 310.

Med ECL Comfort 310 fås vejrkompenseret regulering af fremløbstemperaturen i bygningens varmekreds. Styringen kan også kompensere for rumtemperatur og vindhastighed og har returtemperatur-begrænsning.
Med ECL Comfort 310 som styringsenhed til varmeanlægget opnås en lang række fordele, der sikrer perfekt energiudnyttelse og drift.
Med ”Optimal Start” finder systemet eksempelvis selv ud af, hvornår det skal starte op for at være klar til et givent tidspunkt. Og med ”Auto-spare” reguleres natsænkningen efter, hvor koldt det er udenfor, så der opnås optimal energiudnyttelse året rundt.
-
Optimal Start
-
Auto-spare
-
Pumpe-logik
-
Ferieprogrammering
-
Data-log indbygget
-
Alarmer
-
M-bus for tilslutning af forbrugsmåler
-
Brugervenlig navigation
-
Display med dansk tekst
Dokumenter til A230.1
| Type | Navn | Sprog | Valid for | Opdateret | Download | Filtype |
|---|---|---|---|---|---|---|
| Application guide | A230 - condensation protection in old historic buildings | Danish | Multiple | 13 dec., 2018 | 614.9 KB | |
| Installation guide | ECL Comfort 210, 296, 310, A230 | Arabic; Bulgarian; Czech; Danish; German; Greek (modern); English; Spanish, Castilian; Estonian; Persian; Finnish; French; Irish; Hebrew (modern); Hindi; Croatian; Hungarian; Indonesian; Icelandic; Italian; Japanese; Kazakh; Korean; Lithuanian; Latvian; Macedonian; Norwegian Bokmål; Dutch, Flemish; Polish; Portuguese; Romanian, Moldavian, Moldovan; Russian; Slovak; Slovenian; Serbian; Swedish; Tamil; Thai; Turkish; Ukrainian; Vietnamese; Chinese | Multiple | 27 nov., 2024 | 3.2 MB | |
| Operating guide | ECL Comfort 210, 296, 310, A230 | Danish | Multiple | 21 jul., 2025 | 3.0 MB | |
| Installation guide | ECL Comfort 310, A230 kit (code no. 087H3102) | Arabic; Bulgarian; Czech; Danish; German; Greek (modern); English; Spanish, Castilian; Estonian; Persian; Finnish; French; Irish; Hebrew (modern); Hindi; Croatian; Hungarian; Indonesian; Icelandic; Italian; Japanese; Kazakh; Korean; Lithuanian; Latvian; Macedonian; Norwegian Bokmål; Dutch, Flemish; Polish; Portuguese; Romanian, Moldavian, Moldovan; Russian; Slovak; Slovenian; Serbian; Swedish; Tamil; Thai; Turkish; Ukrainian; Vietnamese; Chinese | Multiple | 21 dec., 2020 | 338.8 KB |
A260.1
Vejrkompensering af anlæg med to varmekredse
To varmekredse kræver intelligent overvågning og med ECL Comfort 310 er styringen lige ved hånden.

Med ECL Comfort 310 opnås vejrkompenseret regulering af fremløbstemperatur i to varmekredse. Samtidig fås kompenseret rumtemperatur og glidende returtemperaturbegrænsning på to uafhængige varmekredsløb. Det sikrer, at varmeudnyttelsen altid er optimal, og at energiforbruget finder sted på mest effektiv vis.
Ved anvendelse af ECL Comfort 310 til styring af varmekredse, opnås samtidig adgang til unikke energioptimerende funktioner som Optimal Start og Auto-spare, og ikke mindst Pumpe-logik, der sørger for, at pumpen automatisk stopper, når der ikke er noget varmekrav.
-
Optimal Start
-
Auto-spare
-
Pumpe-logik
-
Ferieprogrammering
-
Data-log indbygget
-
Alarmer
-
M-bus for tilslutning af forbrugsmåler
-
Brugervenlig navigation
-
Display med dansk tekst
Dokumenter til A260.1
| Type | Navn | Sprog | Valid for | Opdateret | Download | Filtype |
|---|---|---|---|---|---|---|
| Operating guide | ECL Comfort 210 / 296 / 310, A260 | Danish | Multiple | 25 nov., 2021 | 2.1 MB | |
| Installation guide | ECL Comfort 210/296/310, A260 | Arabic; Bulgarian; Czech; Danish; German; Greek (modern); English; Spanish, Castilian; Estonian; Persian; Finnish; French; Irish; Hebrew (modern); Hindi; Croatian; Hungarian; Indonesian; Icelandic; Italian; Japanese; Kazakh; Korean; Lithuanian; Latvian; Macedonian; Norwegian Bokmål; Dutch, Flemish; Polish; Portuguese; Romanian, Moldavian, Moldovan; Russian; Slovak; Slovenian; Serbian; Swedish; Tamil; Thai; Turkish; Ukrainian; Vietnamese; Chinese | Multiple | 24 nov., 2020 | 2.2 MB |
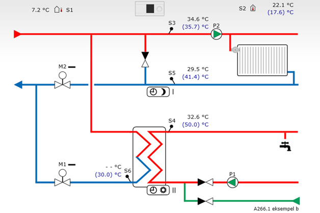
A266.1
Styring af system med én varmekreds og ét varmtvands-kredsløb
Få intelligent styring af bygningens varmtvandskreds med anti-legionella funktion samt vejrkompenseret fremløbstemperatur i varmekredsen og returtemperaturbegrænsning

ECL Comfort 310 giver perfekt styring af varmtvands-kredsløbet for maksimal energiudnyttelse. Blandt meget andet har enheden indbygget datalogning, som fungerer offline. Enheden “husker” alle hændelser fire dage tilbage i tid, så en servicetekniker altid kan se, hvordan og hvornår en potentiel fejl er opstået. Få intelligent styring af bygningens varmtvandskreds med anti-legionella funktion samt vejrkompenseret fremløbstemperatur i varmekredsen og returtemperaturbegrænsning.
Enhedens brugervenlige navigation gør, at alle brugere vil føle sig sikre – uanset om overvågningen og reguleringen finder sted på PC eller en smartphone. ECL Comfort 310 giver nemlig online adgang til alle data gennem ECL portalen – døgnet rundt.
-
Optimal Start
-
Auto-spare
-
Pumpe-logik
-
Ferieprogrammering
-
Data-log indbygget
-
Alarmer
-
M-bus for tilslutning af forbrugsmåler
-
Brugervenlig navigation
-
Display med dansk tekst
Dokumenter til A266.1
| Type | Navn | Sprog | Valid for | Opdateret | Download | Filtype |
|---|---|---|---|---|---|---|
| Installation guide | ECL Comfort 210 / 296 / 310, A266 | Arabic; Bulgarian; Czech; Danish; German; Greek (modern); English; Spanish, Castilian; Estonian; Persian; Finnish; French; Irish; Hebrew (modern); Hindi; Croatian; Hungarian; Indonesian; Icelandic; Italian; Japanese; Kazakh; Korean; Lithuanian; Latvian; Macedonian; Norwegian Bokmål; Dutch, Flemish; Polish; Portuguese; Romanian, Moldavian, Moldovan; Russian; Slovak; Slovenian; Serbian; Swedish; Tamil; Thai; Turkish; Ukrainian; Vietnamese; Chinese | Multiple | 25 nov., 2020 | 2.5 MB | |
| Operating guide | ECL Comfort 210 / 296 / 310, A266 | Danish | Multiple | 28 jun., 2021 | 2.3 MB | |
| Installation guide | ECL Comfort 310, A266 kit (code no. 087H3100) | Arabic; Bulgarian; Czech; Danish; German; Greek (modern); English; Spanish, Castilian; Estonian; Persian; Finnish; French; Irish; Hebrew (modern); Hindi; Croatian; Hungarian; Indonesian; Icelandic; Italian; Japanese; Kazakh; Korean; Lithuanian; Latvian; Macedonian; Norwegian Bokmål; Dutch, Flemish; Polish; Portuguese; Romanian, Moldavian, Moldovan; Russian; Slovak; Slovenian; Serbian; Swedish; Tamil; Thai; Turkish; Ukrainian; Vietnamese; Chinese | Multiple | 21 dec., 2020 | 342.6 KB |
A376.1
Styring af system med to varmekredse og ét varmtvands-kredsløb
ECL Comfort 310 giver mulighed for optimal vejrkompenseret regulering af fremløbstemperaturen i to varmekredse samt regulering af varmtvandstemperaturen i varmtvandskredsen.

Med ECL Comfort 310 kompenserer styringen for ændringer i udetemperaturen i forhold til fremløbstemperaturen i systemets to varmekredse. Ekstra kontrol opnås gennem returtemperaturbegrænsning og regulering af fremløbstemperaturen i varmtvands-kredsløbet. På den måde sikres fuld effektivitet i hele anlægget.
Den elektroniske vejrkompensator bidrager desuden med en række indstillinger og alarmer, der skaber suveræn styring i hverdagen – eksempelvis alarmer i forhold til temperaturværdier, tryk m.m. Det er samtidig muligt at vælge styring af motorventilerne med et analogt signal (0-10 volt)
-
Optimal Start
-
Auto-spare
-
Pumpe-logik
-
Ferieprogrammering
-
Data-log indbygget
-
Alarmer
-
M-bus for tilslutning af forbrugsmåler
-
Brugervenlig navigation
-
Display med dansk tekst
Dokumenter til A376.1
| Type | Navn | Sprog | Valid for | Opdateret | Download | Filtype |
|---|---|---|---|---|---|---|
| Installation guide | ECL Comfort 310, A376 | Arabic; Bulgarian; Czech; Danish; German; Greek (modern); English; Spanish, Castilian; Estonian; Persian; Finnish; French; Irish; Hebrew (modern); Hindi; Croatian; Hungarian; Indonesian; Icelandic; Italian; Japanese; Kazakh; Korean; Lithuanian; Latvian; Macedonian; Norwegian Bokmål; Dutch, Flemish; Polish; Portuguese; Romanian, Moldavian, Moldovan; Russian; Slovak; Slovenian; Serbian; Swedish; Tamil; Thai; Turkish; Ukrainian; Vietnamese; Chinese | Multiple | 18 feb., 2025 | 3.2 MB | |
| Operating guide | ECL Comfort 310, A376 | Danish | Multiple | 27 aug., 2025 | 2.6 MB |